| Availability: | |
|---|---|
| Quantity: | |

Overview
Stainless Steel Blending tanks parameters are as follows:
1) nominal volume:50L-20000L and other general specifications and non-standard design and production.
2) the structure of the form: vertical, the use of conical, oval, dish shaped head, also apply to the need to close the heating, mixing, reaction, enzymatic hydrolysis and other process operation.
3) jacket forms: hollow heat conducting oil or water), semicircular coil pipe, honeycomb jacket (on demand system), heating or cooling efficiency is high.
4) insulation material: filling pearl cotton, rock wool, polyurethane foam, with good thermal insulation effect.
5) exterior surface of the cylinder body: use mirror polishing or 2B color matte or 2B matte surface polishing treatment, beautiful and clean appearance.
6) stirring device: at the top of the tank in the (partial) heart stirring, stirring side; agitator types: frame type, anchor type, push type, blade, scraping wall blade etc.
7) stirring speed: Low speed stirrer, high speed disperser or high speed homognizer.
8) level meter form: glass tube liquid level gauge, static pressure sensing type liquid level meter and so on (for selection).
9) feet form: adjustable three pyramid form or cylindrical tube.
10) equipment accessories configuration: quick open sanitary manhole, mirror, (liquid crystal digital display type or dial pointer type) thermometer, respirators, CIP cleaning machines, material liquid inlet and outlet, circular mouth, hot and cold media import and export interface, the nozzle can be according to the process of selection may increase or decrease).
11) tank equipment material: SUS304 or SUS316L SUS304 or Q235-B; jacket; cover cylinder for SUS304.
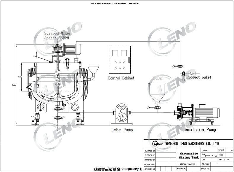
Why add the lobe pump and emulsifier pump?
When the liquid comes with high viscosity which need the lobe pump to help the emulsifier pump to transfer
as return and out




Overview
Stainless Steel Blending tanks parameters are as follows:
1) nominal volume:50L-20000L and other general specifications and non-standard design and production.
2) the structure of the form: vertical, the use of conical, oval, dish shaped head, also apply to the need to close the heating, mixing, reaction, enzymatic hydrolysis and other process operation.
3) jacket forms: hollow heat conducting oil or water), semicircular coil pipe, honeycomb jacket (on demand system), heating or cooling efficiency is high.
4) insulation material: filling pearl cotton, rock wool, polyurethane foam, with good thermal insulation effect.
5) exterior surface of the cylinder body: use mirror polishing or 2B color matte or 2B matte surface polishing treatment, beautiful and clean appearance.
6) stirring device: at the top of the tank in the (partial) heart stirring, stirring side; agitator types: frame type, anchor type, push type, blade, scraping wall blade etc.
7) stirring speed: Low speed stirrer, high speed disperser or high speed homognizer.
8) level meter form: glass tube liquid level gauge, static pressure sensing type liquid level meter and so on (for selection).
9) feet form: adjustable three pyramid form or cylindrical tube.
10) equipment accessories configuration: quick open sanitary manhole, mirror, (liquid crystal digital display type or dial pointer type) thermometer, respirators, CIP cleaning machines, material liquid inlet and outlet, circular mouth, hot and cold media import and export interface, the nozzle can be according to the process of selection may increase or decrease).
11) tank equipment material: SUS304 or SUS316L SUS304 or Q235-B; jacket; cover cylinder for SUS304.
Why add the lobe pump and emulsifier pump?
When the liquid comes with high viscosity which need the lobe pump to help the emulsifier pump to transfer
as return and out


